This method is also called concatenation or tandom operation of the induction motors.
Cascade Control AU :
May-04,05,07,08,11,12,13,16,18, Dec.-04,07,ll,16
This
method is also called concatenation or tandom operation of the
induction motors.
In
this method, two induction motors are mounted on the same shaft. One of the two
motors must be of slip ring type which is called main motor. The second
motor is called auxiliary motor. The arrangement is shown in the Fig. 7.10.1.
The auxiliary motor can be slip ring type or squirrel cage type.

The
stator of the main motor is connected to the three phase supply. While the
supply of the auxiliary motor is derived at a slip frequency from the
slip rings of the main motor. This is called cascading of the motors. If
the torques produced by both act in the same direction, cascading is called cumulative
cascading. If torques produced are in opposite direction, cascading is
called differential cascading.
Now
let, PA = Number of poles of main motor
PB
= Number of poles of auxiliary motor
f
= Supply frequency
NSA
= 120 f / PA
N
= Speed of the set
The
speed N is same for both the motors as motors are mounted on the same shaft.
SA
= NSA – N / NSA
Now fA = Frequency of rotor induced
e.m.f. of motor A
fA
= sAf ... As fr
= s f
The
supply to motor B is at frequency fA, i.e. fB = fA

Now
on no load, the speed of the rotor B i.e. N is almost equal to its synchronous
speed NSB.

Key Point Thus the speed N
of the set is decided by the total number of poles equal to PA+PB.
This is possible for cumulatively cascaded motors.
If
by interchanging any two terminals of motor B, the reversal of direction of
rotating magnetic field of B is achieved then the set runs as differentially
cascaded set. And in such a case effective number of poles are PA –
PB
Thus
in cascade control, four different speeds are possible as,
a.
With respect to synchronous speed of A independently,
NS
= 120f / PA
b.
With respect to synchronous speed of B independently with main motor is
disconnected and B is directly connected to supply,
NS
= 120f / PB
c.
Running set as cumulatively cascaded with,
NS
= 120f / PA + PB
d.
Running set as differentially cascaded with,
N
= 120f / PA - PB
This
method is also rarely used due to following disadvantages :
1.
It requires two motors which makes the set expensive.
2.
Smooth speed control is not possible.
3.
Operation is complicated.
4.
The starting torque is not sufficient to start the set.
5.
Set cannot be operated if PA = PB.
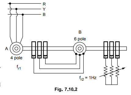
Example
7.10.1 A 4-pole induction motor and a 6-pole induction
motor are connected in cumulative cascade arrangement. The supply frequency is
50 Hz while the frequency in rotor circuit of 6-pole motor is 1 Hz. Determine
the slip of each machine and combined speed of the set.
Solution
:
The
arrangement is shown in the Fig. 7.10.2.

Let
frl = Rotor frequency of motor A
fr2
= Rotor frequency of motor B = 1 Hz
PA
= Poles of A = 4
PB
= Poles of B = 6
The
set is cumulatively coupled.
Hence
the synchronous speed of the set can be obtained as,

This
is the combined speed of the set

The
sA and sB are the slip values of machine A and B
respectively.
Example
7.10.2 Two induction motor are used for the cascade
control. The main motor has 4 poles while the auxiliary motor has 6 poles.
Determine the various synchronous speeds possible for the set. Assume supply
frequency 50 Hz.
Solution
:
PA
= 4, PB = 6 and f = 50 Hz.

Though
PA – PB is negative, in practice the effective poles are
2 only. The negative sign indicates the direction of torque.
Review Questions
1. Explain the principle of cascade connection of three phase
induction motors. AU : May-13, Marks 8
2. Explain the different speed control methods of induction
motor from stator side. AU : May-04, 05, Marks 8
3. Explain the different speed control methods of induction
motor from rotor side. AU : Dec.-04, Marks 8
4. Explain the different speed control methods of three phase
induction motors. AU : May-07, 16,18, Dec.-07, 16, Marks 16
5. Write short notes on : Cascade operation of three phase
induction motors. AU : May-08, 11, 12, Dec.-ll, Marks 8
Electrical Machines II: UNIT IV: Starting and Speed Control of Three Phase Induction Motor : Tag: Engineering Electrical Machines - II : Rotor Circuit | Three Phase Induction Motor - Cascade Control
Electrical Machines II
EE3405 Machine 2 EM 2 4th Semester EEE Dept | 2021 Regulation | 4th Semester EEE Dept 2021 Regulation