In case of short transmission lines, the capacitive effects are small and neglected with some loss in the accuracy.
Representation of
Transmission Line
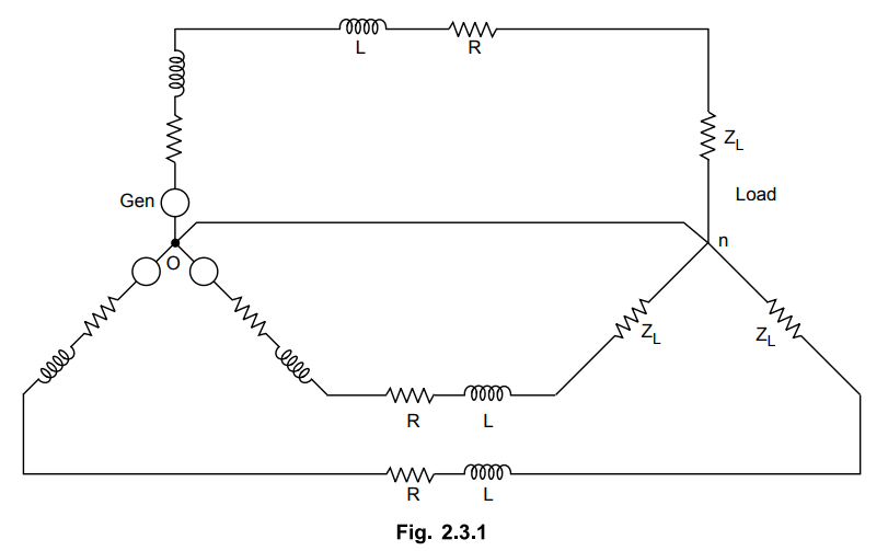
In case of short transmission lines, the
capacitive effects are small and neglected with some loss in the accuracy. It
is required to consider only the resistance and inductance of the line. Fig.
2.3.1 shows a star connected generator supplying a balanced Y connected load
through a short transmission line.

Whether the parameters R and L are
lumped or distributed it makes no difference so far as measurements at the ends
of the line are connected. The generator is represented by an impedance
connected in series with the generated e.m.f. of each phase.
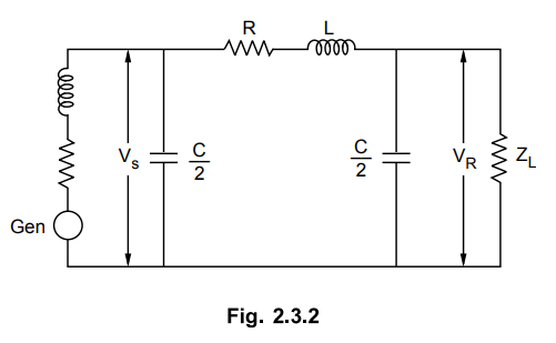
In case of medium length transmission
line, R and L are taken as lumped as shown in the Fig. 2.3.2. with half the
capacitance to neutral of the line lumped at each end of the equivalent
circuit. The shunt conductance G is neglected as the current is same throughout
the line while calculating voltage and current.

In case of long transmission lines the
parameters associated with the line are taken as distributed one to obtain high
degree of accuracy in the analysis.
The transmission lines are usually
operated with balanced three phase loads. The lines may not be spaced
equilaterally and not transposed. The unsymmetry obtained is less and phases
are said to be balanced.
Transmission and Distribution: Unit II: (a) Modelling and Performance of Transmission Lines : Tag: : - Representation of Transmission Line
Transmission and Distribution
EE3401 TD 4th Semester EEE Dept | 2021 Regulation | 4th Semester EEE Dept 2021 Regulation