Thus commonly used method for the speed control of a single phase induction motor is stator voltage variation.
Speed Control of Single Phase Induction Motor
The
voltage variation in three phase induction motor affects its performance badly
but it is effective in speed control of single phase induction motor. Thus
commonly used method for the speed control of a single phase induction motor is
stator voltage variation. The general scheme is shown in the Fig. 8.11.1.

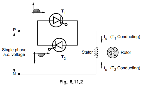
The
voltage variac varies the stator voltage. Practically two SCRs connected in
antiparallel is used as a voltage variac as shown in the Fig. 8.11.2.

For
positive half cycle of input, P is positives hence SCR T1 gets
triggerred while T2 remains off. Hence stator current Is
flows in downward direction. For negative half cycle of input, N is positive
hence SCR T2 gets triggerred
while T1 temains off. Hence
stator current Is flows in upward direction. Thus stator receives single phase
alternating supply. Now by controlling the firing angle of SCRs T1
and T2, the average stator voltage can be controlled. Thus the speed
of the single phase induction motor can be controlled.
Review Question
1. Write a note on speed control of single phase induction
motor.
Electrical Machines II: UNIT V: a. Single Phase Induction Motors : Tag: Engineering Electrical Machines - II : - Speed Control of Single Phase Induction Motor
Electrical Machines II
EE3405 Machine 2 EM 2 4th Semester EEE Dept | 2021 Regulation | 4th Semester EEE Dept 2021 Regulation