Question : 1. Explain the various types of a.c. systems.
A.C. systems
AU : Dec.-09, May-17
The a.c. system which is very commonly
used for the transmission of power till substations and local distribution
centre is three phase three wire system. While for the secondary distribution,
the universally adopted a.c. system is three phase four wire system.
The three phase three wire system may be
star or delta connected. If it is star connected, then its neutral is grounded.
The Fig. 7.2.1 shows the scheme of three phase three wire system for the
primary distribution. The large consumers like factories which need bulk supply
are directly supplied from the substations. The power is also distributed to
other substations and distribution centres.

The fourth wire in this system is
neutral and hence the transformer secondary in such system is always star
connected. This system is generally preferred for the secondary distribution.
The single phase loads are connected between one of the three lines and a
neutral while the three phase loads can be given three phase supply directly,
alongwith the provision of neutral for the internal distribution.
The Fig. 7.2.2 shows the three phase
four wire system.

The voltage between any of the lines and
a neutral is 230 V while the voltage between any two lines is 400 V.
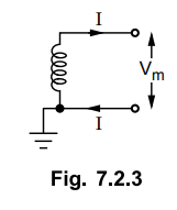
3. Two Wire Single Phase
A.C. System with One Conductor Earthed
The system is represented as shown in
the Fig. 7.2.3.

The maximum voltage betwwen the
conductors is Vm as one terminal is earthed and the r.m.s. value of voltage is
Vm / √2.
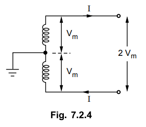
The system is as shown in the Fig.
7.2.4.

The voltage of the two wires is Vm with
respect to earth. The voltage between the two wires is 2 Vm and its r.m.s.
value is 2 Vm / √2 = √2 Vm.
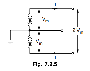
5. Three Wire Single Phase
A.C. System
The system is shown in the Fig. 7.2.5.

It consists of two outer wires and one
neutral wire taken out from the midpoint of the phase winding.
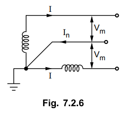
6. Three Wire Two Phase
A.C. System
The system is shown in the Fig. 7.2.6.

The voltages of the two windings are in
quadrature with each other. From the junction of the two windings the neutral
wire is taken.
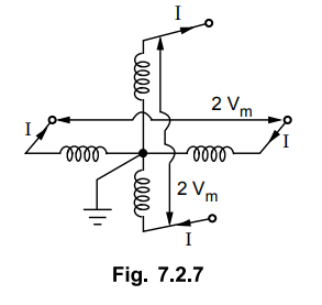
7. Four Wire Two Phase
A.C. System
The system is shown in the Fig. 7.2.7.

The midpoints of the two windings are
joined together. From the ends of two phase windings, four wires are taken.
The different advantages of a.c. system,
which is commonly used now-a-days are :
1. It is possible to build up high a.c.
voltage levels, using high speed a.c. generators of large capacities.
2. The cost of such a.c. generators is
very low.
3. The a.c. voltages can be raised or
lowered as per the requirement. The generated voltage levels of 11 kV, 22 kV
etc. are raised upto 220 kV for transmission purpose. This is not possible in
case of d.c.
4. The maintenance of a.c. substations
is very easy.
5. The high voltage levels can be
lowered to safe potentials using step down transformers for the distribution
purpose.
6. The motors running on a.c. are simple
in construction, cheaper and require less attention from maintenance point of
view.
7. The a.c. supply can be converted to
obtain d.c. wherever required.
8. The maintenance of a.c. substations
is cheaper.
9. The transforming a.c. substations are
much efficient than d.c. system using rectifiers.
The various disadvantages of a.c. system
are,
1. The construction of a.c. transmission
line is more complicated than a d.c. line.
2. The resistance of a.c. line is higher
due to the skin effect causing more voltage drop.
3. The drop is also due to the
inductance of a.c. line, causing loss of power.
4. When the line is open, the charging
current flows due to the capacitance of an a.c. line which also causes loss of
power continuously.
5. The copper requirement for a.c. line
is more than a d.c. line.
6. The a.c. lines are more sensitive to
corona than a d.c. line.
7. The problem of synchronization of
alternators exists in case of a.c. system.
8. The speed of alternators in a.c. system
is not economical and required to be controlled within very low limits.
Review Question
1. Explain the various types of a.c. systems.
Transmission and Distribution: Unit V: (a) Distribution Systems : Tag: : Three Phase Three Wire System - Three Phase Four Wire System - Advantages - Disadvantages - A.C. systems
Transmission and Distribution
EE3401 TD 4th Semester EEE Dept | 2021 Regulation | 4th Semester EEE Dept 2021 Regulation