Consider the arrangement of conductors shown in the Fig. 1.33.1.
Capacitance of Three Phase
Double Circuit with Unsymmetrical Spacing but Transposed
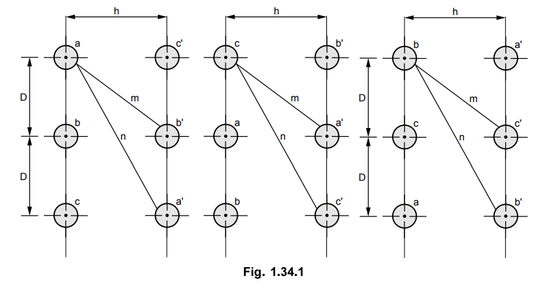
Consider the arrangement of conductors
shown in the Fig. 1.34.1. It consists of three phase double circuit. The radius
of each conductor r.
The voltage between phases a and b can
be calculated in order to calculate capacitance.
One complete cycle of transposition is
shown in the Fig. 1.34.1.


The capacitance per phase will be 2 Can.
Example 1.3.1 A
three phase double circuit line as shown has conductor diameter of 2.1793 cm.
The line is transposed and carries balanced load. Find the capacitance per
phase to neutral of the line.

Solution :

Review Questions
1. Derive an expression for capacitance of three phase
double circuit with unsymetrical spacing but transposed.
2. A 3 phase double circuit line is shown in the Fig.
1.34.3. Find the capacitance per phase to neutral. Radius of each conductor is
2 cm.
[Ans.: 0.027 µF/km]

Transmission and Distribution: Unit I: Transmission Line Parameters : Tag: : - Capacitance of Three Phase Double Circuit with Unsymmetrical Spacing but Transposed
Transmission and Distribution
EE3401 TD 4th Semester EEE Dept | 2021 Regulation | 4th Semester EEE Dept 2021 Regulation