Questions : 1. Compare the various underground a.c. and d.c. systems based on the volume of copper required. State the assumptions used. 2. Assuming delta connected three phase three wire system and underground transmission, prove that the amount of copper required is 1.5/cos2ϕ times the copper required by two wire d.c. system.
Comparison of Volume of
Copper in Underground System
In case of underground system, the
maximum stress exists between the line conductors. Hence the various
assumptions for such comparison are,
1. The maximum voltage (Vm),
between the conductors is same.
2. The power (P) transmitted in all the
systems is same.
3. The distance (l) over which
the power is transmitted is same.
4. The copper losses (W) are same in all
the systems.
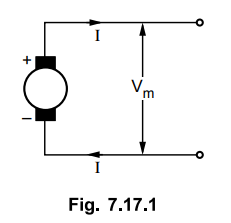
The system is represented in the Fig.
7.17.1.

The voltage between the two conductors
is Vm. It can be seen that there are no changes in the condition
which we have discussed for two wire d.c. system for overhead system earlier in
the section 7.16.1.
So I
= P / Vm = Load current

This is the base of comparison of other
systems.
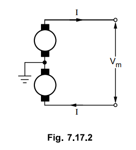
The system is shown in the Fig. 7.17.2.

It can be noted that the maximum voltage
Vm exists between the two lines.
So I = P / Vm = Load current
The total copper loss is,

Key Point
Thus the volume of copper required in this system is same as that required
for two wire d.c. system.
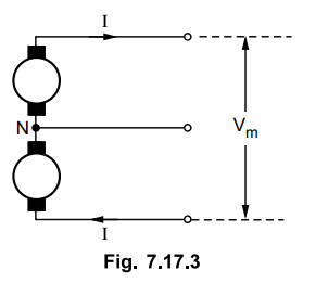
The system is represented in the Fig.
7.17.3.

Again the voltage between the two lines
is maximum which is Vm.
I = P / Vm = Load current
Assume balanced load so there is no
current through the neutral and there are no copper losses in neutral. So total
copper loss is,
W = 2I2R = 2 P2 /
V2m . ρ l / A
where A = Area of cross-section of each
line conductor
2 P2 / V2m . ρ l
/ W
Let area of cross-section of neutral
wire is half of the area of cross-section of each conductor i.e. 0.5 A.
Hence the total volume of copper
required is

Key Point
Thus the volume of copper required for this system is 1.25 times than that
required for 2 wire d.c. system. So 25% more copper is required in this system.
Consider a star connected three phase
three wire a.c. system as shown in the Fig. 7.17.4. Note that the voltage
between the line conductors is Vm Thus the line voltage is Vm

The r.m.s. value of the phase voltage
is,

The power transmitted per phase is,
Pph = P/3
Let cos ϕ be the load power factor.

Key Point
Thus the volume of copper required in this system depends on the load power
factor and it is 1.5/cos2 ϕ times than that required for two wire
d.c. system.
The result remains same whether the
system is star or delta connected.
The system is shown in the Fig. 7.17.5.
The neutral is available for the load connection. As the load is assumed to be
balanced, the neutral current is zero and the copper losses in neutral are
zero. Note that the voltage between the lines is Vm

Hence the r.m.s. value of the phase
voltage is,

The power per phase is given by

This is same as obtained for three phase
three wire system. The total copper loss is,

Let the cross-section of the neutral
wire be half of the cross-section of each line conductor i.e. 0.5 A.
Hence the total volume of copper
required is

Key Point
Thus the volume of copper required, in this system is 1.75/cos2ϕ
times the volume of copper required for two wire d.c. system.
Review Questions
1. Compare the various underground a.c. and d.c. systems
based on the volume of copper required. State the assumptions used.
2. Assuming delta connected three phase three wire system and underground transmission, prove that the amount of copper required is 1.5/cos2ϕ times the copper required by two wire d.c. system.
Transmission and Distribution: Unit V: (a) Distribution Systems : Tag: : Two Wire D.C. System - Two Wire D.C. System with Midpoint Earthed - Three Wire D.C. System - Three Phase Three Wire A.C. System - Three Phase Four Wire A.C. System - Comparison of Volume of Copper in Underground System
Transmission and Distribution
EE3401 TD 4th Semester EEE Dept | 2021 Regulation | 4th Semester EEE Dept 2021 Regulation