• A decoder is a multiple-input, multiple-output logic circuit which converts coded inputs into coded outputs, where the input and output codes are different.
Decoder
Dec.-06,
08, 13, May-07, 11, 17
•
A decoder is a multiple-input, multiple-output logic circuit which converts
coded inputs into coded outputs, where the input and output codes are
different.
•
The Fig. 3.19.1 shows the general structure of the decoder circuit. As shown in
the Fig. 3.19.1, the encoded information is presented as n inputs producing 2n
possible outputs. The 2n output values are from 0 through 2n
- 1.

•
Usually, a decoder is provided with enable inputs to activate decoded output
based on data inputs. When any one enable input is unasserted, all outputs of
decoder are disabled.
•
A decoder which has an n-bit binary input code and a one activated output out
of 2n output code is called binary decoder. A binary decoder is used
when it is necessary to activate exactly one of 2n outputs based on
an n-bit input value.
•
Fig. 3.19.2 shows 2 to 4 decoder. Here, 2 inputs are decoded into four outputs,
each output representing one of the minterms of the 2 input variables. The two
inverters provide the complement of the inputs, and each one of four AND gates
generates one of the minterms.
•
The Table 3.19.1 shows the truth table for a 2 to 4 decoder. As shown in the
truth table, if enable input is 1 (EN = 1), one, and only one, of the outputs Y0
to Y3, is active for a given input. The output Y0 is
active, i.e. Y0 = 1 when inputs A = B = 0, the output Y1
is active when inputs A = 0 and B = 1. If enable input is 0, i.e. EN = 0, then
all the outputs are 0.

Ex. 3.19.1 Draw the circuit for 3 to 8
decoder and explain.
Sol.
:
Fig. 3.19.3 shows 3 to 8 line decoder. Here, 3 inputs are decoded into eight
outputs, each output represent one of the minterms of the 3 input variables.
The three inverters provide the complement of the inputs, and each one of the
eight AND gates generates one of the minterms. Enable input is provided to
activate decoded output based on data inputs A, B, and C. The table shows the
truth table for 3 to 8 decoder.
2. The 74X138 3-to-8 Decoder
The
74X138 is a commercially available 3-to-8 decoder. It accepts three binary
inputs (A, B, C) and when enabled, provides eight individual active low

outputs
(Y0 - Y7). The device has three enable inputs : two
active low
and one active high (G1). Fig. 3.19.4 and
Table 3.19.3 show logic symbol and function table respectively.

The
74X139 consists of two independent and identical 2-to-4 decoders. The enable
inputs and outputs of IC 74X139 are active low. Fig. 3.19.5 shows the logic
symbol and Table 3.19.3 shows the function table for IC 74X139. The Table
3.19.4 shows the truth table for one half of a 74X139 dual 2-to-4 decoder. The
truth table for other half is same as first half.

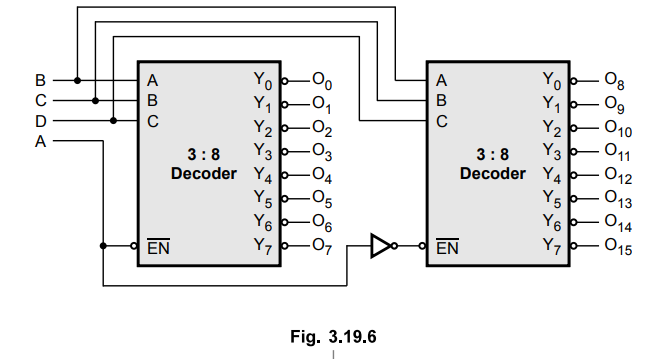
4. Expanding Cascading Decoders
•
Binary decoder circuits can be connected together to form a larger decoder circuit.
Fig. 3.19.6 shows the 4 × 16 decoder using two 3 × 8 decoders.

•
Here, one input line (D) is used to enable/disable the decoders. When D = 0,
the top decoder is enabled and the other is disabled. Thus the bottom decoder
outputs are all Is, and the top eight outputs generate minterms 0000 to 0111.
When D=T the enable conditions are reversed and thus bottom decoder outputs
generate minterms 1000 to 1111, while the outputs of the top decoder are all 1s.
Ex.
3.19.2 Design 5-to-32 decoder sing one 2-to-4 and four 3-to-8 decoder 1Cs.
Sol. : The Fig. 3.19.7 shows the construction of 5-to-32 decoder using four 74LS138s and half 74LS139. The half section of 74LS139 IC is used as a 2-to-4 decoder to decode the two higher order inputs, D and E. The four outputs of this decoder are used to enable one of the four 3 to 8 decoders. The three lower order inputs A, B and C are connected in parallel to four 3 to 8 decoders. This means that the same output pin of each of the four 3-to-8 decoders is selected but only one is enabled. The remaining enable signals of four 3-to-8 decoder ICs are connected in parallel to construct enable signals for 5-to-32 decoder.
•
The combination of decoder and external logic gates can be used to implement
single or multiple output functions. We know that decoder can have one of the
two output states; either active low or active high. Let us see the
significance of these output states in the implementation of binary function.

•
When decoder output is active high, it generates minterms (product terms) for
input variables; i.e. it makes selected output logic 1. In such case to
implement SOP function we have to take sum of selected product terms generated
by decoder.
Examples
for Understanding
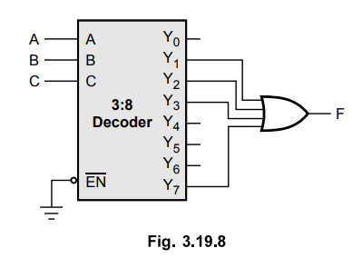
Ex.
3.19.3 Implement Boolean function
F
= ∑m(l, 2, 3, 7) using 3 : 8 decoder.
Sol.
:
Step
1 :
Connect function variables as inputs to the decoder.
Step
2 :
Logically OR the outputs correspond to present minterms to obtain the output.

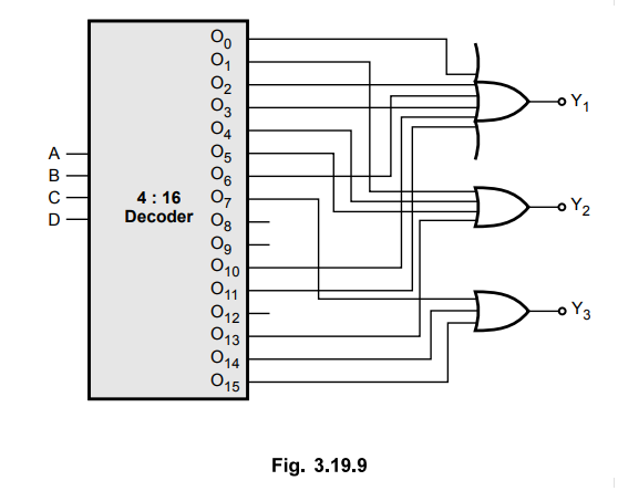
Ex.
3.19.4 Implement the following multiple output combinational logic using a 4
line to 16 line decoder.

Sol.
:
Step
1 :
Write the function in their minterm forms
Y1
= ∑ m(0, 3, 2, 6,10, 11)
Y2
= ∑ m(l,4,5, 13)
Y3
= ∑ m(7, 14, 15)
Step
2 :
Logically OR the outputs of decoder corresponding to the minterms in the
functions.

Examples
with Solution
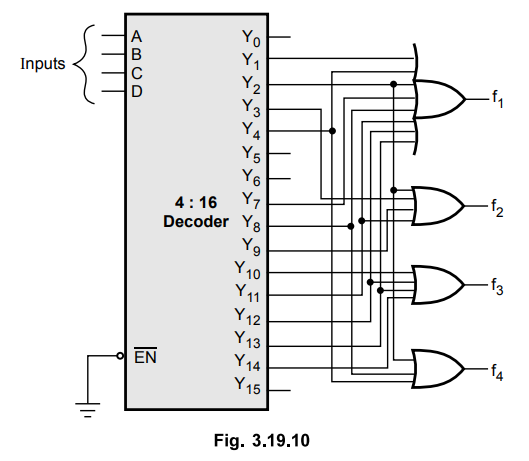
Ex.
3.19.5 Implement the following multiple output combinational logic circuit
using a 4-line to 16-line decoder.
f1
= ∑m (1, 2, 4, 7, 8, 11, 12, 13),
f2
= ∑m (2, 3, 9, 11)
f3
= ∑m (10, 12, 13, 14),
f2
= ∑m (2, 4, 8)
Sol.
:

Ex.
3.19.6 Design and implement a full adder circuit using a 3 : 8 decoder.
AU
: May-11, Marks 5
Sol.
:
Truth table for full adder is as shown in the Table 3.19.5.

Ex.
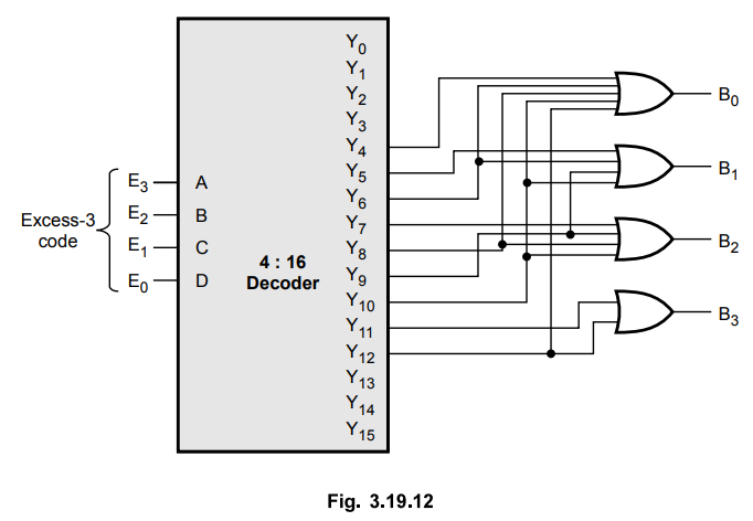
3.19.7 Design an excess-3 to BCD code converter using decoder and gates.
Sol.
:
The truth table for excess-3 to BCD code converter is as shown in the Table
3.19.6

Realization

Examples
for Practice
Ex.
3.19.8 Implement the following Boolean functions using decoder and OR gates
:
f1
(A, B, C, D) = ∑ (2, 4, 7, 9)
f2
(A, B, C, D) = ∑ (10, 13, 14, 15)
Ex.
3.19.9 Implement the logic circuit for full subtractor using decoder.
6. Applications of Decoder
The
uses of decoders are :
•
Code converters
•
Implementation of combinational circuits
•
Address decoding
•
BCD to 7-segment decoder
7. Decoder ICs

• BCD decoders have four inputs and 10 outputs. The fou-bit BCD input is decoded to activate on f the ten outputs. The 74XX42 is a BCD to decimal decoder. It accepts four active high BCD inputs and provides 10 independent active low outputs. Fig. 3.19.13 (a) shows pin diagram and logic symbol for IC 7442. The active low outputs of IC 7442 facilitates addressing other MSI units with active low input enables.

•
The logic design of 7442 ensures that all outputs are high when binary codes
greater than nine are applied to the inputs. The most significant input, A3
produces a useful inhibit function when the 7442 is used as a 3 to 8 decoder.
•
The IC 7445 is also a BCD to decimal decoder with identical pin description as
that of IC 7442. However, IC 7445 provides open collector outputs.
•
In most practical applications, seven segment displays are used to give a
visual indication of the output states of digital ICs such as decade counters,
latches etc. These outputs are usually in four bit BCD (binary coded decimal)
form, and are thus not suitable for directly driving seven segment displays.
The special BCD to seven segment decoder/driver ICs are used to convert the BCD
signal into a form suitable for driving these displays. In this sections, we
are going to study LED and LCD decoders/drivers for seven segment displays. Let
us tabulate the segments activated during each digit display.

From
the Table 3.19.8 we can determine the truth table for BCD-to-7 segment
decoder/driver. This truth table also depends on the construction of 7-segment
display. If 7-segment display is common anode, the segment driver output must
be active low to glow the segment. In case of common cathode type 7-segment
display, the segment driver output must be active high to glow the segment.
Table 3.19.9 and 3.19.10 show the truth tables for both BCD to 7 segment
decoder/driver with common cathode display and with common anode display
respectively.

Let
us design the combinational circuit for common cathode 7-segment
display/driver.
K-map
simplification

Logic
diagram

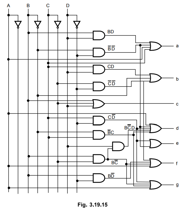
Ex.
3.19.10 Implement BCD-to-7 segment decoder for common anode using 4 : 16
decoder.
Sol.
:
Referring the truth table from Table
3.19.9 we can implement BCD-to-7 segment
decoder for common anode as shown in the Fig. 3.19.16.

Review Questions
1. Define decoder.
2. Define binary decoder.
3. Explain the working of 2:4 binary decoder.
4. Draw a 4 × 16 decoder constructed with two 3 × 8 decoders.
AU : May-07, Marks 2
5. State the procedure to implement Boolean function using
decoder.
6. Mention the uses of decoders.
7. Draw the logic diagram of BCD - Decimal decoder and explain
its operations.
AU : Dec.-13, Marks 16
8. Write a note on BCD to 7-segment decoder.
Digital Logic Circuits: Unit II: Combinational Circuits : Tag: : Block and Logic diagram, Logic symbol, Function table - Decoder
Digital Logic Circuits
EE3302 3rd Semester EEE Dept | 2021 Regulation | 3rd Semester EEE Dept 2021 Regulation