• A demultiplexer is a circuit that receives information on a single line and transmits this information on one of 2n possible output lines. The selection of specific output line is controlled by the values of n selection lines.
Demultiplexers
•
A demultiplexer is a circuit that receives information on a single line and
transmits this information on one of 2n possible output lines. The selection of
specific output line is controlled by the values of n selection lines.
•
The Fig. 3.18.1 shows the block diagram of a demultiplexer. It has one input
data line, 2n output lines, n select lines and one enable input.

Differentiate
between Multiplexer and Demultiplexer

a.
1 : 4 Demultiplexer
•
Fig. 3.18.2 shows 1 : 4 demultiplexer. The single input variable has a path to
all four outputs, but the input information is directed to only one of the
output lines depending on the select inputs. Enable input should be high to
enable demultiplexer.

b.
1 : 8 Demultiplexer
The
Fig. 3.18.3 shows 1 : 8 demultiplexer. The single input data Din has a path to
all eight outputs, but the input information is directed to only one of the
output lines depending on the select inputs.

•
To provide larger output needs we can cascade two or more demultiplexer to get
demultiplexer with more number of output lines. Such a connection is known as
demultiplexer tree.
Ex.
3.18.1 Design 1 : 8 demultiplexer using two 1 : 4 demultiplexers.
Sol.
:
Step
1 :
Connect Din signal to Din input of both the
demultiplexers.
Step
2 :
Connect select lines B and C to select lines S1 and S0 of
the both demultiplexers, respectively.
Step
3 :
Connect most significant select line (A) such that when A = 0 DEMUX 1 is
enabled and when A = 1 DEMUX 2 is enabled.

Ex.
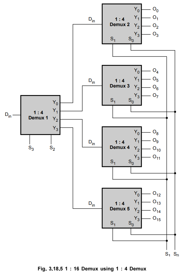
3.18.2 Implement 1 : 16 demultiplexer using 1 : 4 demultiplexers.
Sol.
:
The 1 : 16 demultiplexer has 16 outputs. To select one of the 16 output, the
circuit needs 4 (v 24 = 16) select lines. Each 1 : 4 demultiplexer requires 2
select lines.
Step
1 :
Connect two least significant select lines (S1, S0) to
select lines of four 4 : 1 demultiplexer.
Step
2 :
Connect one more 4 : 1 demultiplexer such that its four outputs are routed to
the data inputs of the four demultiplexers. Connect higher select lines (S3,
S2) to the select lines of this demultiplexer.

Examples
for Practice
Ex.
3.18.3 Draw 1 : 64 demultiplexer tree using 1 : 16 demultiplexer.
Ex.
3.18.4 Draw 1 : 64 demultiplexer tree using 1 : 8 demultiplexer.
Ex.
3.18.5 Implement full subtractor using demultiplexer.
AU
: May-12, Marks 8
Sol.
:
Step
1 :
Write the truth table of full subtractor.

Step
2 :
Represent output of full-subtractors in minterm form.
For
full subtractor difference D function can be written as D = f (A, B, C) = ∑ m
(1, 2, 4, 7) and Bout function can be written as,
Bout
= F (A, B, C) = ∑ m (1, 2, 3, 7)
Step
3 :
Logically OR the outputs corresponding to minterms.
With
Din input 1, demultiplexer gives minterms at the output so by
logically ORing required minterms we can implement Boolean functions for full
subtractor. Fig. 3.18.6 shows the implementation of full subtractor using
demultiplexer.

Ex.
3.18.6 Implement the following functions using demultiplexer :
f1
(A, B, C) = ∑ m (0, 3, 7)
f2
(A, B, C) = ∑ m (1, 2, 5)
Sol.
:
f1
(A, B, C) = ∑ m (0, 3, 7)
f2
(A, B, C) = ∑ m (1, 2, 5)
Implementation
using 1 : 8 demultiplexer.

Examples
for Practice
Ex.
3.18.7 Implement full adder using demultiplexer.
Ex.
3.18.8 Implement the following functions using demultiplexer
f1
(A, B, C) = ∑ m (1, 5, 7)
f2
(A, B, C) = ∑ m (3, 6, 7)
1.
It can be used as a decoder.
2.
It can be used as a data distributer.
3.
It is used in time division multiplexing at the receiving end as a data
separator.
4.
It can be used to implement Boolean expressions.
5. Demultiplexer ICs

Review Questions
1. Define demultiplexer.
2. Differentiate between multiplexer and demultiplexer.
3. State the applications of demultiplexer.
Digital Logic Circuits: Unit II: Combinational Circuits : Tag: : Types, Block and Logic diagram, Logic symbol, Function table, Equivalent circuit, Working, Applications - Demultiplexers
Digital Logic Circuits
EE3302 3rd Semester EEE Dept | 2021 Regulation | 3rd Semester EEE Dept 2021 Regulation