Electric Circuit Analysis: Model Question and Answer : Solved Anna University Question Paper Part C
PART C - (1 × 15 = 15
Marks)
(Application/Design/Analysis/Evaluation/Creativity/Case
study question)
16.
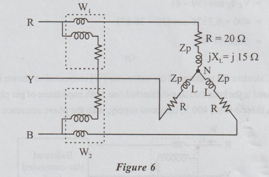
(a) Calculate the readings of the two wattmeters (W1 and W2) connected to
measure the total power for a balanced star-connected load shown in Fig. 6, fed
from a three-phase, 400 V balanced supply with phase sequence as R-Y- B. The
load impedance per phase is 20 + j 15.
Also find the line and phase currents, power factor, total power, total
reactive VA and VA.

VL
= 400 V balanced (star) IL,Iph,Pf,VAR,VA
ZP
= 20 + j 15

P
= √3 VL IL cos ϕ = √3 × 400 × 9.2376 cos (36.87)
=
5719.99 W
Q
= √3 VL IL sin ϕ =
√3 × 400 × 9.2376 sin (36.87)
=
3840.01 VAR
cos
ϕ = cos 36.87° = 0.81
S = √3VL IL = √3 × 400 × 9.2376
=
06399.99 VA
W1
= VL IL cos (30 + ϕ)
=
400 × 9.2376 cos (30+ 36.87)
=
1451.48 W
W2
= VL IL COS (30 - ϕ)
=
400 × 9.2376 cos (30-36.87)
=
3668.51 W
Or
(b)
Calculate the readings of the wattmeter (W) connected as shown in Fig. 7. The
load is the balanced star-connected one, with impedance of per phase fed from a
three-phase, 400 V, balanced supply, with the phase sequence as R-Y-B.

Refer Page No: 4.24 Section No: 4.7.3
Electric Circuit Analysis: Model Question and Answer : Tag: : Electric Circuit Analysis - Solved Anna University Question Paper with Answer - 2 (PART C)
Electric Circuit Analysis
EE3251 2nd Semester 2021 Regulation | 2nd Semester EEE Dept 2021 Regulation