After proper synchronization of the alternators, they will run in synchronism. A synchronizing torque will be developed if any of the alternator drops out of synchronism and will bring it back to the synchronism.
Synchronizing Current and Synchronizing Power
After
proper synchronization of the alternators, they will run in synchronism. A
synchronizing torque will be developed if any of the alternator drops out of
synchronism and will bring it back to the synchronism.
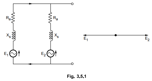
Consider
the two alternators shown in the Fig. 3.5.1 which are in exact synchronism. Due
to this they are having same terminal p.d. and with reference to their local
circuit they are in exact phase opposition. So there will not be any
circulating current in the local circuit. The e.m.f. E1 of alternator
1 is in exact phase opposition to that of alternator E2.

With
respect to external load, the e.m.f.s of the two alternators are in the same
direction although they are in phase opposition with reference to local circuit.
There will be no resultant voltage in the local circuit.
Now
assume that speed of alternator 2 is changed such that its e.m.f. E2
falls by an angle a . But Ex and E2 are equal in
magnitude. The resultant voltage Er in this case will cause a current in the
local circuit which is called synchronizing current. This circulating current
is given by,
ISY
= Er / Zs
where Zs = Synchronous impedance
of windings of alternator
The
phase angle of ISY is given by an angle θ which can be computed as
tan θ = Xs/Ra where Xs is synchronous reactance and Ra
is armature resistance. This angle is almost 90°.
Thus
ISY lags Er by almost 90° and approximately in phase with
E1. This current is generating current with respect to alternator 1
since it is in the same direction as that of e.m.f. of alternator 1 while it
will be motoring current for alternator 2 as it is in the opposite direction as
that of e.m.f. of alternator 2. This current ISY will produce a
synchronizing torque which will try to retard alternator 1 whereas accelerate
the alternator 2.
The
power output of alternator 1 supplies power input to alternator 2 and copper
losses in the local path formed by armatures of two alternators.
Power
output of alternator 1 – E1 ISY cos ϕ1
This
power is approximately equal to E1 ISY as cos ϕ1 is small and is almost in
phase with E1. This power is called synchronizing power. Similarly
power input to alternator 2 is E2 ISY cos ϕ2
which is equal E2 ISY as ϕ2 is also small.
E1
ISY = E2 ISY + Cu losses in the local circuit
Let E1 = E2 = E
Let
the magnitude of resultant e.m.f. be Er which is given by,
Er
= 2 E cos(180o - ɑ / 2) = E cos (90o - ɑ) = 2 E sin
(ɑ/2)
But
ɑ is small sin ɑ/2 = ɑ/2
Er
= 2 E (ɑ/2) = ɑ E …[0 = 90o, sin θ = 1]
The
electrical angle ɑ is expressed in radians.

If Ra is not assumed as negligible then θ will not be 90° so the above expression can be written in exact form as
PSY
= ɑ E2 / 2XS sin θ
For
3 phases, total synchronizing power is given by,
PSY
= 3ɑ E2 / 2XS sin θ
The
above expression is valid for two alternators connected in parallel and
operating at no load.
Now
let us consider the case of alternator connected to infinite bus bar (the
concept of infinite bus bar is explained later) then the above expression for
synchronizing power is still valid with the change of reactance of only one
alternator is considered instead of two alternators.

Now assuming that E2 has advanced in phase shown in the Fig. 3.5.2 (b).
The
synchronizing current ISY in this case will be generating current for machine 2
and motoring current for machine 1. This will again produce a torque which will
try to accelerate alternator 1 and try to retard alternator 2.
Key Point : Hence if
synchronism between the two machines is lost then synchronizing current will
flow in the local circuit which will produce a synchronizing torque.
This
torque will tend to accelerate the lagging machine while will try to retard the
leading machine. In case of machines which are loaded this current is
superimposed on the load current.
Review Questions
1. Explain the significance of synchronizing power in case of an
alternator connected to an infinite bus bar.
2. What is synchronising power ? Derive an expression for the
synchronising power between the two alternators connected in parallel.
Electrical Machines II: UNIT I: c. Synchronization and Parallel Operation of Alternators : Tag: Engineering Electrical Machines - II : Alternators - Synchronizing Current and Synchronizing Power
Electrical Machines II
EE3405 Machine 2 EM 2 4th Semester EEE Dept | 2021 Regulation | 4th Semester EEE Dept 2021 Regulation