Transmission lines are the circuits with the distributed constants such as resistance, inductance, conductance and capacitance distributed along the length of transmission line.
Transmission Line
Constants
Transmission lines are the circuits with
the distributed constants such as resistance, inductance, conductance and capacitance
distributed along the length of transmission line. These constants are not
concentrated at any point. Their values are normally expressed as per kilometer
length of line.

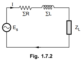
Consider the distributed circuit shown
in the Fig. 1.7.1. The analysis of this circuit can be made by lumping the
parameters which is shown in the Fig. 1.7.2.

The analysis of circuit becomes easier
by lumping the parameters as the same current is passing through each element
of resistance and inductance.
Similarly the circuits shown in the Fig.
1.7.3 (a) and (b) are seen to be equivalent as the same voltage is applied
across each conductance and capacitance.

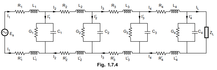
But if the elements are distributed as
shown in the Fig. 1.7.4 then the elements cannot be lumped as the same current
is not flowing through series element and the voltage across different elements
changes from one section to other.
Consider the equivalent circuit of a
2-wire transmission line having resistance, inductance, capacitance and
conductance associated with it as shown in the Fig. 1.7.4.

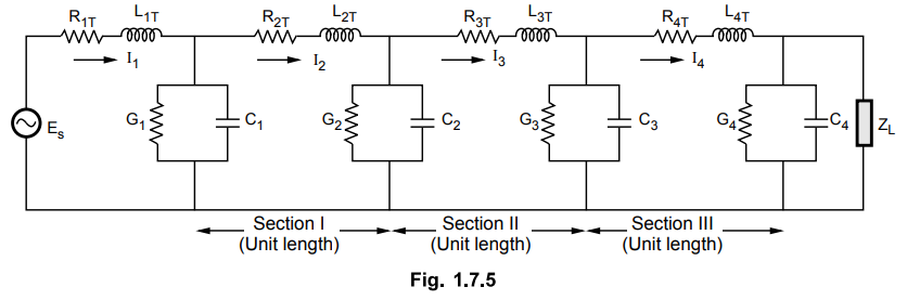
The line is divided into large number of
small sections of unit length. The upper and lower part of each section carries
same current. Hence we have the equivalent circuit as shown in the Fig. 1.7.5.

Here R1T
= R1 + R2T = R2 + R2
Similarly L1T = L1
+ L1, L2T = L2 + L2 etc.
The resistance per unit length of the
line is say R where R1T = R2T = R3T = R4T
... = R, ohm/metre. We have L1T = L2T = L3T = ... = L, henry/metre
G1 = G2 = ... G,
mho/metre
C1 = C2 = ... C,
farad/metre
In case of 2 wire transmission system
the line parameters are expressed on loop basis while in case of 3 phase
transmission system the parameters are represented on per conductor basis.
The physical length of the transmission
line does not indicate that the line is short or long but it is based on
comparison with the wavelength (/) of the source.
Review Question
1. What do you mean by the constants of an overhead transmission
line ?
Transmission and Distribution: Unit I: Transmission Line Parameters : Tag: : - Transmission Line Constants
Transmission and Distribution
EE3401 TD 4th Semester EEE Dept | 2021 Regulation | 4th Semester EEE Dept 2021 Regulation