Question : 1. Explain pole mounted substations with a neat layout.
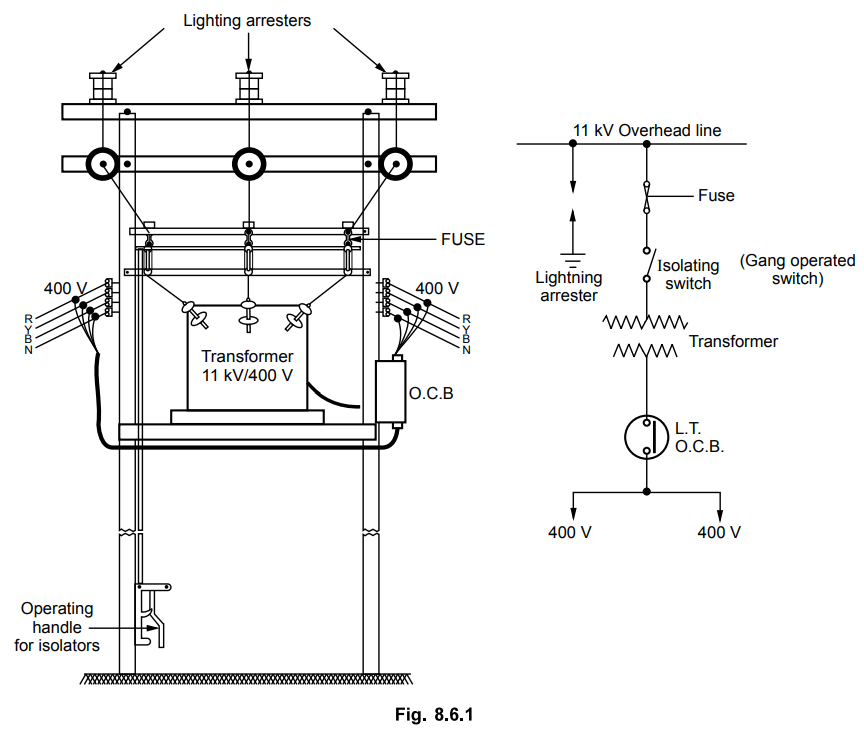
Pole Mounted Substations
It is nothing but outdoor substation
with overhead installation of substation equipments. This is the cheapest
substation for voltages upto 11 kV since it does not require any building work.
The layout and schematic of pole mounted substation is shown in Fig. 8.6.1.

It consists of 11 kV line connected to
the transformer through gang isolator and fuse. On H.T. side there is lightning
arrester for protection of substation against lighting strokes. The transformer
steps down the voltage to 400 V between the line. In the event of fault the oil
circuit breaker on L.T. side isolates the transformer from the consumers. In
pole mounted substations the transformer used has the capacity upto 200 kVA. It
should be noted that the dielectric strength of oil in the transformer must be
periodically checked. The gang isolator and oil circuit breaker should be shunt
off in case of repair of transformer. The secondary of transformer has 3
phase, 4 wire system to supply single phase as well as three phase loads.
Review Question
1. Explain pole mounted substations with a neat layout.
Transmission and Distribution: Unit V: (b) Substations and Grounding : Tag: : - Pole Mounted Substations
Transmission and Distribution
EE3401 TD 4th Semester EEE Dept | 2021 Regulation | 4th Semester EEE Dept 2021 Regulation